電磁兼容-無線通信電子設備
隨著無線通訊技術的飛速發展,高頻,寬帶傳輸逐漸成為目前的主流。各類寬帶無線通訊設備,短距離無線電通訊設備,業余無線電,陸地無線電通訊設備等會經常集中在于一個相對狹小的區域內,導致該區域內的電磁環境異常惡劣。因此對于各類無線通訊設備的電磁兼容提供了更高的要求。
典型的無線通訊設備舉例如下:
Ø 固定設備:通信基站、路由器、集線器、xDSL接入器等設備 電磁兼容
Ø 便攜式:收音機,手機通訊,對講機等 電磁兼容
Ø 車載FM,AM,車載無線充 電磁兼容
電磁兼容 通用標準
抗擾類
GB/T 17799.1 居住、商業和輕工業環境中的抗擾度試驗
GB/T 17799.2 工業環境中的抗擾度試驗
IEC 61000-6-1 Immunity standard for residential, commercial and light-industrial environments
IEC 61000-6-2 Immunity Standard For Industrial Environments
騷擾類(發射)
GB/T 17799.3 居住、商業和輕工業環境中的發射標準
GB/T 17799.4 工業環境中的發射標準
IEC 61000-6-3 Emission standard for equipment in residential environment
IEC 61000-6-4 Emission standard for industrial environments
電磁兼容 產品標準
YD/T 1312.1 無線通訊設備電磁兼容性要求和測試方法第1部分:通用要求
YD/T 1312.2 無線通訊設備電磁兼容性要求和測試方法第2部分:寬帶無線電設備
YD/T 1312.3 無線通訊設備電磁兼容性要求和測試方法第3部分:個人陸地移動無線電設備(PMR)及其輔助設備
YD/T 1312.4 無線通訊設備電磁兼容性要求和測試方法第4部分:無線尋呼系統
YD/T 1312.5 無線通訊設備電磁兼容性要求和測試方法第5部分:無線語音鏈路設備和無線話筒
YD/T 1312.6 無線通訊設備電磁兼容性要求和測試方法第6部分:業余無線電設備
YD/T 1312.7 無線通訊設備電磁兼容性要求和測試方法第7部分:陸地集群無線電設備
YD/T 1312.8 無線通訊設備電磁兼容性要求和測試方法第8部分:短距離無線電設備(9kHz~40GHz)
YD/T 1312.9 無線通訊設備電磁兼容性要求和測試方法第9部分:400/1800MHz SCDMA無線接入系統:用戶設備及其輔助設備
YD/T 1312.10 無線通訊設備電磁兼容性要求和測試方法第10部分:400/1800MHz SCDMA無線接入系統:基站、直放站、基站控制器及其輔助設備
YD/T 1312.11 無線通訊設備電磁兼容性要求和測試方法第11部分:固定寬帶無線接入系統:用戶站及其輔助設備
YD/T 1312.12 無線通訊設備電磁兼容性要求和測試方法第12部分:固定寬帶無線接入系統:基站及其輔助設備
YD/T 1312.13 無線通訊設備電磁兼容性要求和測試方法第13部分:移動通信終端電源適配器
YD/T 1312.14 無線通訊設備電磁兼容性要求和測試方法第14部分:甚小口徑終端和交互式衛星地球站設備(在固定衛星業務中工作頻率范圍為4GHz~30GHz)
YD/T 1312.15 無線通訊設備電磁兼容性要求和測試方法第15部分:超寬帶(UWB)通訊設備
YD/T 1312.16 衛星移動通信系統終端地球站
YD-T 1483 無線電設備雜散發射技術要求和測量方法
YD-T 1592.2 2GHz TD-SCDMA 數字蜂窩移動通信系統電磁兼容性要求和測量方法 第2部分 基站及其輔助設備
YD-T 1595.2 2GHz WCDMA數字蜂窩移動通信系統的電磁兼容性要求和測量方法 第2部分 基站及其輔助設備
YD-T 1597.2 800MHz2GHz cdma2000數字蜂窩移動通信系統電磁兼容性要求和測量方法 第2部分 基站及其輔助設備
YD-T993 電信終端防雷設備要求以及試驗要求
YD-T 983 通訊電源設備電磁兼容限制以及測試方法
ETS 1 TR 102 070 電磁兼容與無線頻譜在復合無線電設備中協調標準的應用
EN 301 489-1 電磁兼容與無線頻譜 無線電設備和業務的電磁兼容 第一部分:通用要求
3GPP TS 34.124 通用移動通訊系統電磁兼容性要求和測量方法 移動終端及其輔助設備
ETSI EN 300 220-1 Short Range Devices (SRD) operating in the frequency range 25 MHz to 1 000 MHz;Part 1: Technical characteristics andmethods of measurement
ETSI EN 300 220-2 Short Range Devices (SRD) operating in the frequency range 25 MHz to 1 000 MHz;Part 2: Harmonised Standard for access to radio spectrum for non specific radio equipment
ETSI EN 300 220-3-1 Short Range Devices (SRD) operating in the frequency range 25 MHz to 1 000 MHz; Part 3-1: Harmonised Standard covering the essential requirements of article 3.2 of Directive 2014/53/EU;Low duty cycle high reliability equipment, social alarms equipment operating on designated frequencies(869,200 MHz to 869,250 MHz)
ETSI EN 300 220-3-2 Short Range Devices (SRD) operating in the frequency range 25 MHz to 1 000 MHz;
Part 3-2: Harmonised Standard covering the essential requirements of article 3.2 of Directive 2014/53/EU;Wireless alarms operating in designated LDC/HR frequency bands 868,60 MHz to 868,70 MHz,869,25 MHz to 869,40 MHz, 869,65 MHz to 869,70 MHz
ETSI EN 300 220-4 Short Range Devices (SRD) operating in the frequency range 25 MHz to 1 000 MHz;
Part 4: Harmonised Standard covering the essential requirements of article 3.2 of Directive 2014/53/EU;
Metering devices operating in designated band 169,400 MHz to 169,475 MHz
ETSI EN 300 328 Wideband transmission systems;Data transmission equipment operating in the 2,4 GHz band;Harmonised Standard for access to radio spectrum
ETSI EN 300 440 Short Range Devices (SRD);Radio equipment to be used in the 1 GHz to 40 GHz frequency range;Harmonised Standard for access to radio spectrum
ETSI EN 301 893 5 GHz RLAN;Harmonised Standard covering the essential requirements of article 3.2 of Directive 2014/53/EU
TwoITU-Tstandards apply for most telecommunications equipment connected to the network:·
ITU-TK.20
·ITU-TK.21
ITU-T K.20 is primarily for switching equipment powered by the central office: however.for complexsubscriber
equipment,test administrators may choose either K.20 or K.21, depending on which is deemed most appropriate
K.20 Resistibility of telecommunication equipment installed in a telecommunication centre to overvoltages and overcurrents
K.21 Resistibility of telecommunication equipment installed in customer premises to overvoltages and overcurrents.
K.44 Resistibility tests for telecommunication equipment exposed to overvoltages and overcurrents – Basic Recommendation
電磁兼容測試儀器設備和附件: 通用測試項目
抗擾類
1.靜電放電抗擾度 IEC 61000-4-2 GB/T 17626.2
2.射頻電磁場輻射抗擾度 IEC 61000-4-3 GB/T 17626.3 GB/T 17626.20 GB/T 17626.21
3.電快速瞬變脈沖群抗擾度 IEC 61000-4-4 GB/T 17626.4
4.雷擊浪涌(沖擊)抗擾度 IEC 61000-4-5 GB/T 17626.5
5.射頻場感應的傳導(CS,BCI )大電流注入抗擾度 IEC 61000-4-6 GB/T 17626.6
6.工頻磁場 IEC 61000-4-8 GB/T17626.8
7.電壓暫降、短時中斷和電壓變化IEC 61000-4-11 GB/T 17626.11 GB/T 17626,29
8.瞬變和浪涌抗擾度 ISO 7637-2 GB/T 21437.2
9.電力線感應/電力線接觸 YD/T 993
騷擾類(發射)
1.輻射發射、雜散 YD/T 1483 YD/T 1312.1 GB 9254 GB/T 6113.104 GB/T 6113.203 CISPR 32
2.交直流以及電信端口騷擾 YD/T 1312.1 CISPR 32 GB 9254 GB/T 6113.101 GB/T 18655
3.諧波電流與電壓波動,閃爍 YD/T 1483 YD/T 1312.1 GB/T17625.1 GB/T17625.2 GB/Z17625.3 GB/Z17625.6
4.電壓瞬態傳導騷擾 YD/T 1483 YD/T 1312.1 GB/T 21437.2(4.3章節)
電磁兼容測試儀器設備和附件,含專用測試項目
靜電放電抗擾度
靜電放電模擬器 靜電槍 靜電放電設備
測試環境周邊:
測試木桌:長1.6m×寬0.8m×高0.8m
水平耦合板: 長1.6m×寬0.8m×厚>1.0mm
垂直耦合板: 長0.5m×寬0.5m×厚>1.0mm
絕緣墊: > 長1.0m×寬0.8m×厚0.5mm
放電線纜:470Ω×2 兩頭端接
關鍵參數 Key parameter

放電電流上升時間0.7 ~ 1.0ns,計量時對測試人員、操作規程、示波器要求很高!


射頻電磁場輻射抗擾度
全電波暗室 FAC
橫電磁波室 GTEM

全電波暗室 FAC 橫電磁波室 GTEM
射頻信號發生器 / 信號源
發射天線(高、低頻天線)
功率計 / 功率探頭
功率放大器
電場探頭
射頻開關
測試軟件
關鍵參數 Key parameter


場地均勻性對功率放大器、天線以及暗室尺寸提出了更高要求!

試驗頻率80MHz-2.7GHz

試驗等級
電快速瞬變脈沖群抗擾度
電快速脈沖群模擬器 脈沖群模擬器 脈沖群發生器 EFT BURST
容性耦合夾 容性耦合鉗
耦合去耦網絡 三相耦合去耦網絡
同軸衰減器 50Ω同軸衰減器 1000Ω同軸衰減器
測試環境周邊:
測試木桌:長1.6m×寬0.8m×高0.8m
水平耦合板: 長1.6m×寬0.8m×厚>1.0mm
絕緣墊: > 長0.5m×寬0.5m×高10cm
關鍵參數 Key parameter

單個脈沖上升時間和脈寬對計量人員、現場分布參數和校準器具要求很高!

新標準要求CDN校準時多條耦合線纜同時注入EFT脈沖,對CDN結構設計和濾波電路帶來了挑戰!


雷擊浪涌(沖擊)抗擾度
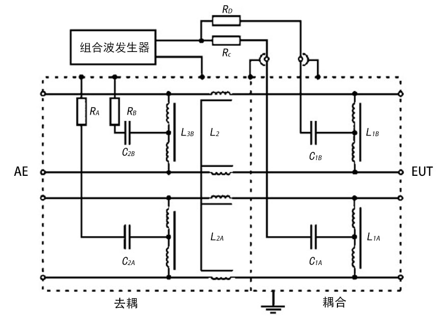
雷擊浪涌模擬器 浪涌發生器 雷擊發生器 過電壓模擬器 脈沖發生器 組合波浪涌 通信波浪涌
耦合去耦網絡 三相耦合去耦網絡 非屏蔽數據線耦合去耦網絡 非屏蔽不對稱數據線耦合去耦網絡 對稱數據線耦合去耦網絡
高壓差分電壓探頭 差分電壓探頭 電流探頭
測試環境周邊:
隔離變壓器
關鍵參數 Key parameter

電源端口CDN 針對大電流應用比較復雜,通常需要分段來滿足不同電流的計量參數。對于新能源領域,大于200A的CDN設計開發帶來了挑戰!逆變電源的浪涌測試容易損壞浪涌發生器主機,尤其是采用小型化之后的浪涌脈沖電路。



數據線浪涌CDN 難點是去耦部分,當要保證數據帶寬時,很難滿足浪涌的波形校準。





射頻場感應的傳導(CS,BCI )大電流注入抗擾度
射頻傳導抗擾度一體機 傳導抗擾度 CS BCI
CDN 耦合去耦網絡 三相耦合去耦網絡 非屏蔽數據線耦合去耦網絡 非屏蔽不對稱數據線耦合去耦網絡 對稱數據線耦合去耦網絡
電磁耦合夾 電磁耦合鉗
電流探頭 電流注入探頭
測試環境周邊:
測試木桌:長1.6m×寬0.8m×高0.8m
水平耦合板: 長1.6m×寬0.8m×厚>1.0mm
絕緣墊: > 長0.5m×寬0.5m×高10cm
關鍵參數 Key parameter
IEC 61000-4-6 Ed4.0 明確了對功率放大器飽和度的判斷,要求執行CDN校準過程中記錄功率放大器的前向功率,這就要求射頻傳導抗擾度測試系統帶定向耦合器以及至少兩通道以上的功率計。

測試示意圖

現場測試照片
工頻磁場抗擾度
工頻磁場發生器 磁場發生器 磁場線圈 脈沖磁場 阻尼振蕩波磁場


關鍵參數 Key parameter
工頻的磁場強度主要由流過線圈的電流大小決定的,整套測試系統如何準確的復現磁場數據尤其重要。
電壓暫降、短時中斷和電壓變化抗擾度電壓故障模擬器
電壓跌落測試儀 電壓中斷 電壓暫降 電壓變化
交流移相器
直流跌落源
關鍵參數 Key parameter
電壓暫降和短時中斷模擬器有幾個關鍵參數值得關注:
1.電壓上升時間tr和下降時間tf: 1μs ~ 5μs @ 100Ω純阻
2.過沖/欠沖: <5%UT
3.三相負載電壓暫降相-相模式下要求相位偏移 Phase shift
4.附錄A中要求整套測試系統滿足沖擊電流的負荷(至少>500A)
電壓變化的關鍵參數值得關注:
1.電壓降低時間td要求是突變,相對于ms為周期的正弦波”突變”一般理解是μs級
2.電壓緩慢上升時間ti:要求是25/30個正弦波周期,也即ms級別,并且在過零點處調整電壓
以上新標準提出的幾個關鍵技術參數導致采用傳統技術的發生器變成了預兼容測試系統,例如三相交流調壓器不能作為移相器 使用;帶馬達控制的
自耦變壓器作為電壓變化的發生器滿足不了突變和過零點調壓;采用程控電源作為調壓源不滿足附錄A對試驗沖擊電流的要求。




瞬變和浪涌抗擾度試驗(車載環境)
人工電源網絡
ISO 7637-2/-3脈沖發生器
規定了EUT的汽車電子電氣部件沿地電池供電線或開關電源線的瞬態傳導發射的試驗,該EUT為潛在的傳導騷擾源,測量布置不得受周圍電磁環境的干擾。

瞬態抗擾度試驗裝置

12V 車載EUT試驗等級

12V 車載EUT試驗等級
EMI 發射測量系統
Ø 雜散發射
1.必要帶寬外的單個或多個頻點上的發射,可以減小其電平而不影響相應的信息傳輸。雜散發射包括諧波發射、寄生發射、互調產物以及變頻產物,但帶外發射除外。
2.輻射雜散騷擾的測試距離建議≥3m,一般建議10m。1GHz以下測試在半電波暗室測試;1GHz以上需要在全電波暗室測試。
3.EUT放置在非導電的支架上,供電應通過射頻濾波器后再與EUT相連,以免電源和電纜影響測試結果。
4.EUT為非一體化天線,則天線輸出端口應接50Ω匹配負載,EUT應全功率發射。
5.機箱的輻射雜散發射在機箱端口處測量無線信號的峰值輸出功率電平, 輻射相應信息的有用信號排除在本測量之外。
6.測試過程中應防止有用信號過載對測量設備的影響。
7.雜散域發射限值適用范圍9kHz-300GHz;沒有特殊規定,測量上限頻率為最高工作頻率的10次諧波,但不高于40GHz。

測試示意圖

現場測試圖

機箱端口的輻射雜散騷擾限值


電信中心輻射騷擾限值(高低頻)


非電信中心輻射騷擾限值(高低頻)
測試設備典型配置:
測量接收機
基頻抑制濾波器
耦合設備
終端負載
調制帶寬
寬帶天線
喇叭天線
前置放大器
EMI測試軟件
Ø 連續騷擾
1.傳導發射電源端測試,產品和限值不一樣,但是測試方法基本一致,均是由人工電源網絡(LISN)和測試接收組成。
2.傳導發射電源端測試,一般使用(50uH+5Ω)//50Ω或者50uH//50Ω的V型人工電源網絡。對于車載的無線通信設備以及輔助設備使用50uH//50Ω人工電源網絡。
3.為了保護測試接收機避免瞬態脈沖的損壞,一般在接收機和人工電源網絡之間加脈沖限幅器。
4.測試EUT電流過大(大于400A)或者無法使用LISN測試時,可以使用高阻抗電壓探頭測試。
5.電信端傳導共模騷擾測試:電話線,以太網等非屏蔽平衡對線可用線性阻抗穩定網絡測試;對于4對以上平衡對線或者平衡電纜,復雜電線系統,電子電路的測試,需要使用電流探頭和高阻抗電壓探頭進行測試。

EUT測試布局示意圖

現場圖

電信中心電信端口限值

非電信中心電信端口限值

電信中心直流電源端口限值

非電信中心直流電源端口限值

電信中心交流電源端口限值

非電信中心交流電源端口限值
測試設備典型配置:
測量接收機
人工電源網絡((50uH+5Ω)//50Ω和50uH//50Ω)
脈沖限幅器
電流探頭
電壓探頭
線性阻抗穩定網絡
EMI測試軟件
諧波電流和電壓閃爍測量系統
高精度電參數分析儀
高精度凈化電源
閃爍分析儀
參考阻抗網絡
諧波電流和電壓閃爍測試軟件
關鍵參數 Key parameter
這套系統屬于EMI發射的測量范疇,用戶對傳導騷擾和輻射騷擾測量系統給予更大的關注是因為CE/RE測量的數據量非常敏感,稍微有點偏差就相差很大,并且整改起來沒有那么容易,對工程師的實戰經驗和理論功底都要求非常高。諧波電流和電壓閃爍從結果來看,相對單一好整改,并且樣品出問題的情況少,但是需要強調的是,這套測量系統同樣對分析儀表和測量精度以及測量方法需求一點都不低。由于用戶關注少,往往忽略對這些標準和分析系統的深入研究,市面上甚至有主流品牌的儀器出現非常大錯誤的數據量。這里提醒用戶在測量系統選型時要關注以下幾點:
1. 分析儀表是否完全符合IEC 61000-4-7和IEC 61000-4-15最新版定義;目前市面上很多品牌的儀表并不能完全滿足IEC 標準定義,只不過國內計量單位并不完全參考該標準出具數據
2. 凈化電源是否滿足IEC 61000-3-2 附錄A的需求;電源作為整套系統核心儀器,價格占比高,故障率也高,所以一定要選擇合適的高質量的交流電源
3. 是否采用了最新版的測試法規軟件


瞬態傳導試驗
1.此測試只針對直流電源輸入,輸出端口。
2.無線電設備在汽車電子電氣部件沿電池供電線或開關電源線的瞬態傳導發射的騷擾。
3.為了規范EUT負載的阻抗,對來自騷擾源EUT的電壓瞬態的測量,應采用人工電源網絡,騷擾源經人工電源網絡與并聯電阻Rs,開關S以及電源相連接。
4.EUT應該在斷開、閉合以及各種不同的工作模式下進行測量,一般要求采集10個波形。

現場測試圖

測試示意圖
1—示波器或等效設備;2—電壓探頭;3—人工網絡;4—DUT(瞬態源);5—接地平板;6—電源;7—接地線;長度小于100mm;A—電源端;B—公共端(可以接地);P—DUT 端。

直流電源端口瞬態傳導騷擾限值
測試設備典型配置:
并聯電阻RS
慢速開關和快速開關
人工電源網絡
測量儀器:示波器、電壓探頭